
ベースプレート
[基本定義入力]▶〔拘束・接合〕▶[ベースプレート]
ベースプレートを定義します。
グリッドシート
①名称
15文字以内で入力します。
②k-DB
弊社製品共通のデータベースk-DBの柱脚工法データベースを参照する場合、[会社]、[製品]、[型番]を入力します。
③ベースプレート
- 寸法
- ベースプレートの寸法を入力します。
- 板厚
- ベースプレートの板厚を入力します。
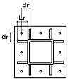
- リブプレート
| [種別] |
: |
「0:なし」、「1:均等」、「2:隅」、「3:柱下」から選択します。
ただし、「2:隅」、「3:柱下」は、H形鋼柱では選択できません。
|
| [長さ] |
: |
リブプレートの平面上の長さを入力します。 |
| [距離] |
: |
[種別]が「2:隅」の場合に入力します。
 |
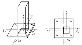
- 偏心距離
- 柱心に対するベースプレート心の偏心距離を、柱部材座標系で入力します。

④アンカーボルト
⑤材質
⑥アンカーボルト引抜
- 自動計算
- アンカーボルトの引抜を自動計算するかを指定します。
- 一辺当りの引抜力
負担幅
負担幅までの距離
- [自動計算]を「0:しない」にした場合、[一辺当りの引抜力]、[負担幅]、[負担幅までの距離]を入力します。
アンカーボルトの引抜力による面外曲げモーメントに対する検討において、アンカーボルトの引抜力による面外曲げモーメントは[一辺当りの引抜力]と[負担幅までの距離]、ベースプレートの面外許容曲げモーメントは[負担幅]から算出します。

⑦地震割増係数
S造柱脚の保有耐力接合用の地震応力に対する割増係数を入力します。
テキスト形式
| 項 目 |
省略値 |
| 名称 |
|
| k-DB-会社 |
0 |
| k-DB-製品 |
|
| k-DB-型番 |
|
| ベースプレート-寸法-Dz |
0 |
| ベースプレート-寸法-Dy |
0 |
| ベースプレート-板厚 |
0.0 |
| ベースプレート-リブプレート-種別 |
0 |
| ベースプレート-リブプレート-長さ |
0.0 |
| ベースプレート-リブプレート-距離 |
0.0 |
| ベースプレート-偏心距離-Cz |
0.0 |
| ベースプレート-偏心距離-Cy |
0.0 |
| アンカーボルト-長さ |
0.0 |
| アンカーボルト-空き-Ez |
0.0 |
| アンカーボルト-空き-Ey |
0.0 |
| アンカーボルト-配列 |
0 |
| アンカーボルト-本数-Nz |
2 |
| アンカーボルト-本数-Ny |
2 |
| 材質-ベースプレート下面コンクリート |
|
| 材質-ベースプレート |
|
| 材質-アンカーボルト |
|
| アンカーボルト引抜-自動計算 |
1 |
| アンカーボルト引抜-一辺当りの引抜力 |
0.0 |
| アンカーボルト引抜-負担幅 |
0.0 |
| アンカーボルト引抜-負担幅までの距離 |
0.0 |
| 地震割増係数-γz |
2.0 |
| 地震割増係数-γy |
2.0 |
説明
- 構造形式が平面フレーム、平面格子ばり、立体フレームの場合、入力可能です。
- 入力補助ツール
グリッドシートの行ラベルをダブルクリックすると、柱脚工法データの参照ダイアログが表示されます。

参照する柱脚工法データを指定し、[OK]ボタンをクリックすると、グリッドシートの各項目が更新されます。

▲PAGETOP